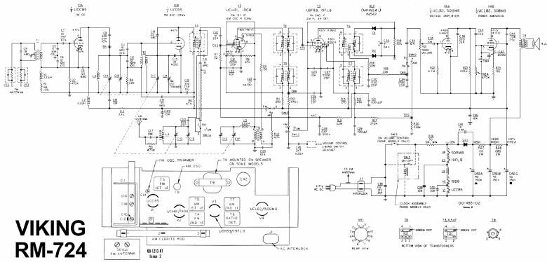
Viking rm 724 schematic
This is the 1 pages manual for viking rm 724 schematic. 
Read or download the pdf for free. If you want to contribute, please upload pdfs to audioservicemanuals.wetransfer.com.
                
                            Page: 1 / 1