Telefunken manuals

Browse manuals in directory t/telefunken/telefunken-v410/

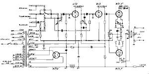
Telefunken V410 Schematic telefunken v410 schematic