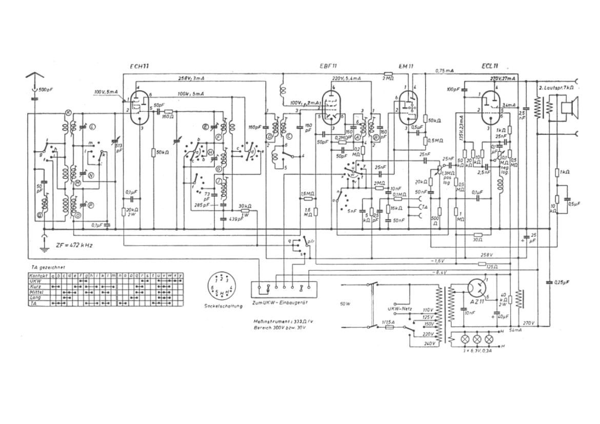
Telefunken Opus 9M65 WLK Schematic 2

This is the 1 pages manual for Telefunken Opus 9M65 WLK Schematic 2.
Read or download the pdf for free. If you want to contribute, please upload pdfs to audioservicemanuals.wetransfer.com.

Page: 1 / 1
Telefunken Opus 9M65 WLK Schematic 2