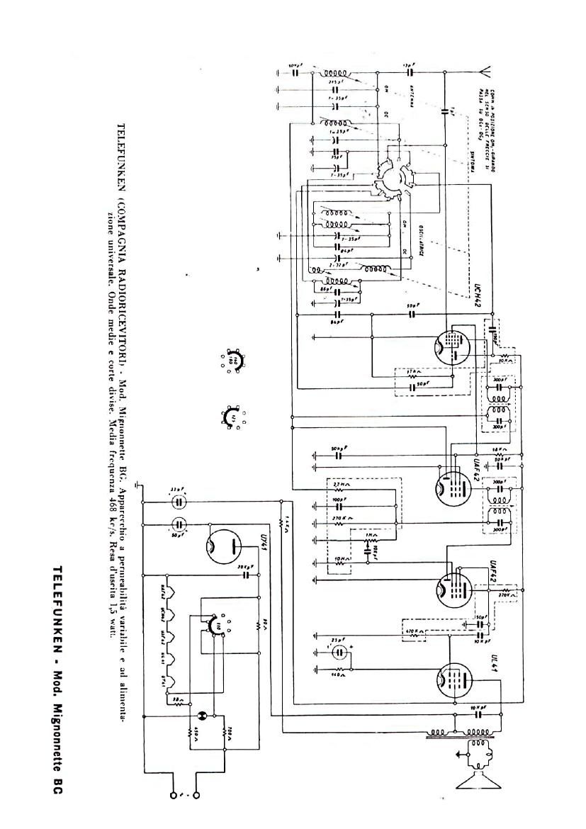
Telefunken Mignonette BC Schematic

This is the 1 pages manual for Telefunken Mignonette BC Schematic.
Read or download the pdf for free. If you want to contribute, please upload pdfs to audioservicemanuals.wetransfer.com.

Page: 1 / 1
Telefunken Mignonette BC Schematic