Telefunken manuals

Browse manuals in directory t/telefunken/telefunken-d750/

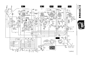
Telefunken D750 GWK Schematic telefunken d750 gwk schematic
Telefunken D750 GWK Schematic 2 telefunken d750 gwk schematic 2
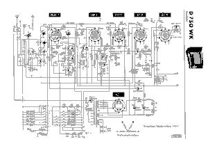
Telefunken D750 WK Schematic telefunken d750 wk schematic