Telefunken manuals

Browse manuals in directory t/telefunken/telefunken-autosuper/

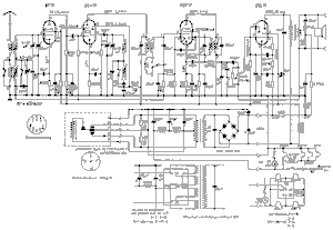
Telefunken Autosuper IA50 Schematic telefunken autosuper ia50 schematic
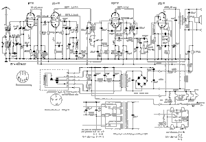
Telefunken Autosuper IB50 Schematic telefunken autosuper ib50 schematic