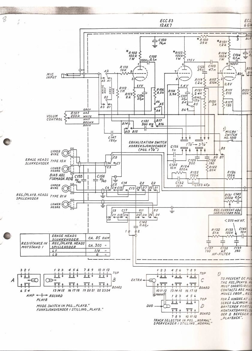
Tandberg 843 Schematic
This is the 2 pages manual for Tandberg 843 Schematic.
Read or download the pdf for free. If you want to contribute, please upload pdfs to audioservicemanuals.wetransfer.com.
Page: 1 / 2
