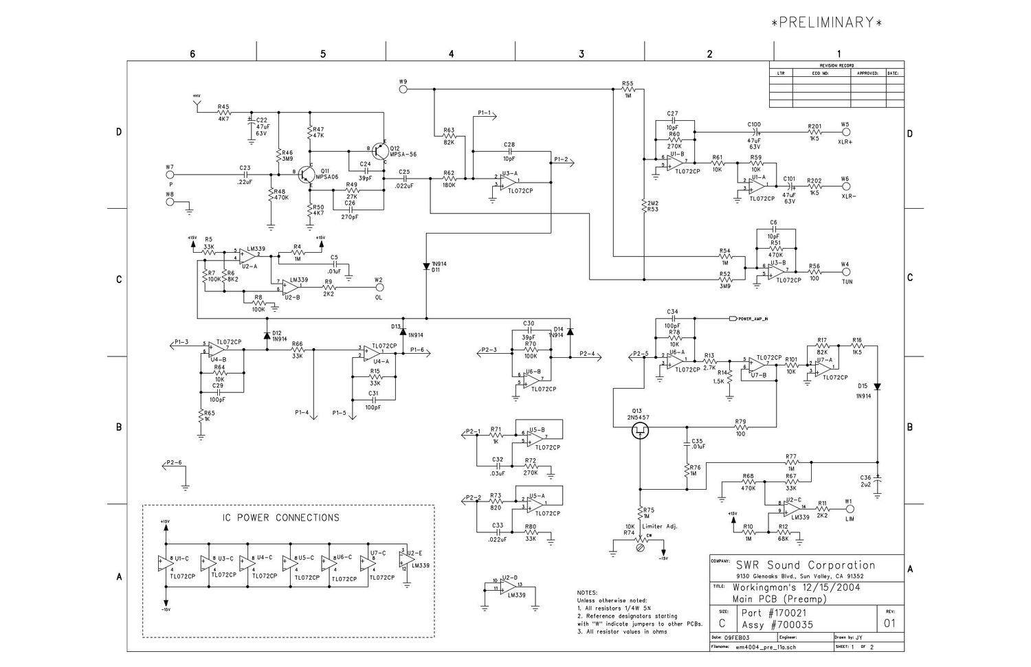
Swr workingmans 12 15 schematic
This is the 2 pages manual for swr workingmans 12 15 schematic.
Read or download the pdf for free. If you want to contribute, please upload pdfs to audioservicemanuals.wetransfer.com.
Page: 1 / 2
