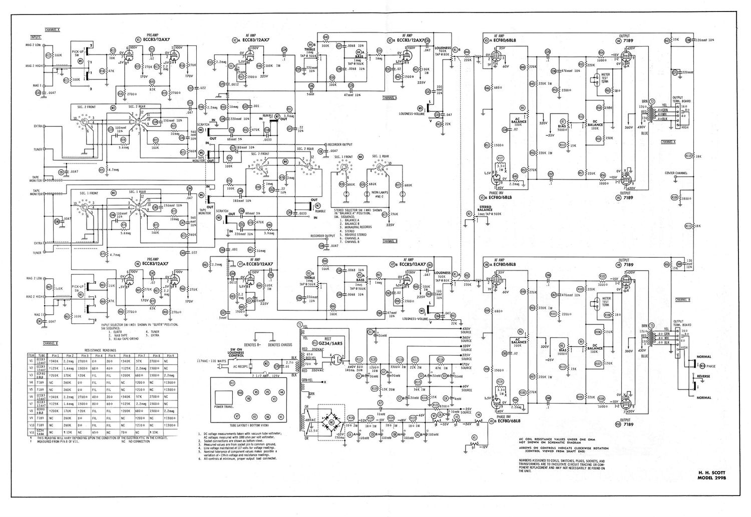
Scott 299B Schematic

This is the 1 pages manual for Scott 299B Schematic.
Read or download the pdf for free. If you want to contribute, please upload pdfs to audioservicemanuals.wetransfer.com.

Page: 1 / 1
Scott 299B Schematic