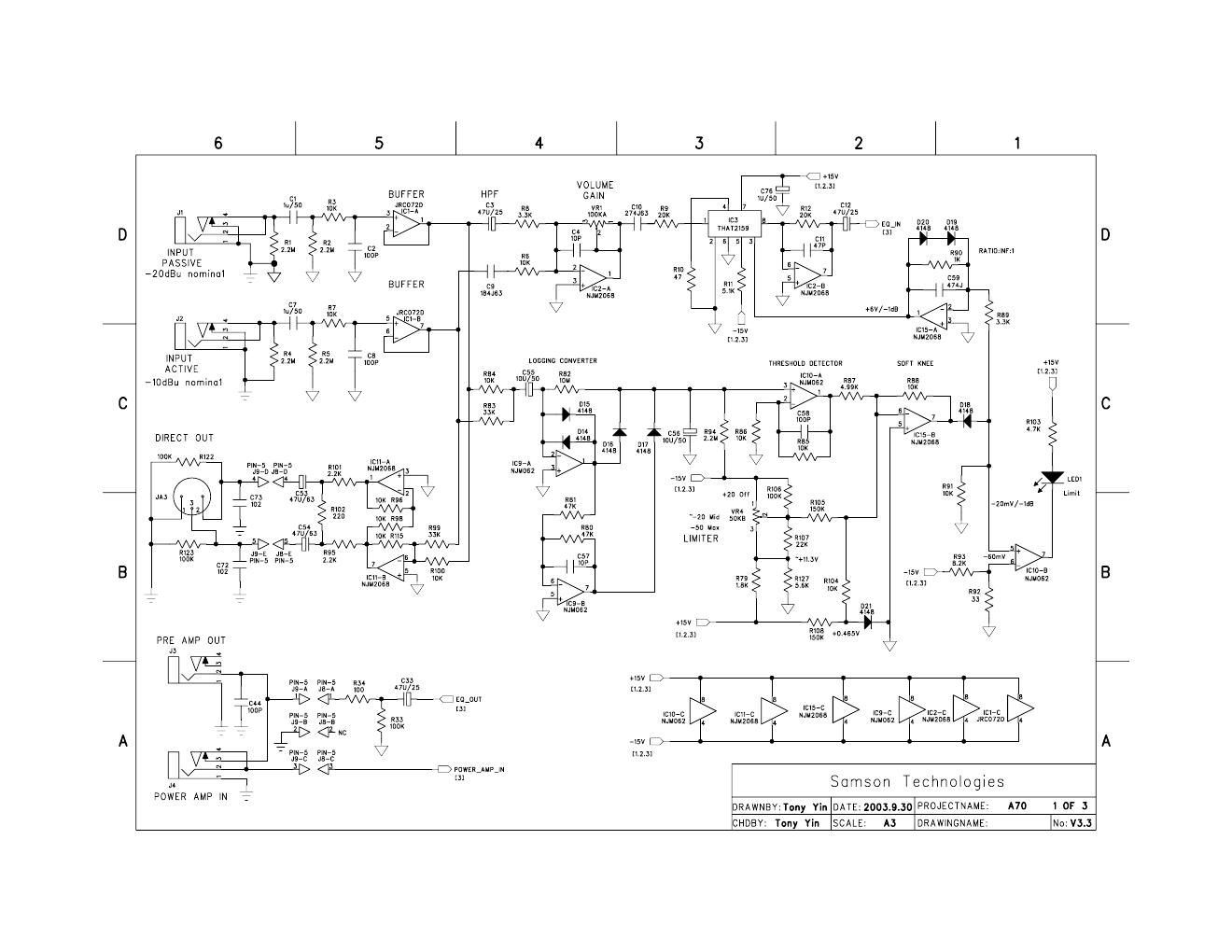
Samson A70 bass amp schematics
This is the 3 pages manual for Samson A70 bass amp schematics. 
Read or download the pdf for free. If you want to contribute, please upload pdfs to audioservicemanuals.wetransfer.com.
                
                            Page: 1 / 3