Pioneer manuals

Browse manuals in directory p/pioneer/pioneer-q/pioneer-qt/pioneer-qt-2100/

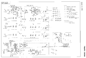
pioneer qt 2100 schematic pioneer qt 2100 schematic