Pioneer manuals

Browse manuals in directory p/pioneer/pioneer-pd/pioneer-pd-6010/

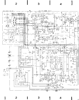
pioneer pd 6010 schematic pioneer pd 6010 schematic