Pioneer manuals

Browse manuals in directory p/pioneer/pioneer-cs/pioneer-cs-66/

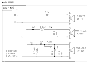
pioneer cs 66 schematic pioneer cs 66 schematic