Phonola manuals

Browse manuals in directory p/phonola/phonola-577/

phonola 577 phonola 577
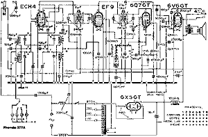
phonola 577a phonola 577a
phonola 577a version phonola 577a version
phonola 577d phonola 577d
phonola 577e phonola 577e