Philips manuals

Browse manuals in directory p/philips/philips-fw/philips-fw-390/

philips fw 390 c service manual philips fw 390 c service manual
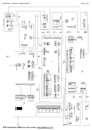
philips fw 390 schematic philips fw 390 schematic