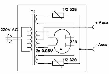
Philips 327 schematic
This is the 1 pages manual for philips 327 schematic. 
Read or download the pdf for free. If you want to contribute, please upload pdfs to audioservicemanuals.wetransfer.com.
                
                            Page: 1 / 1
                        
                        
                            
                        
                                        