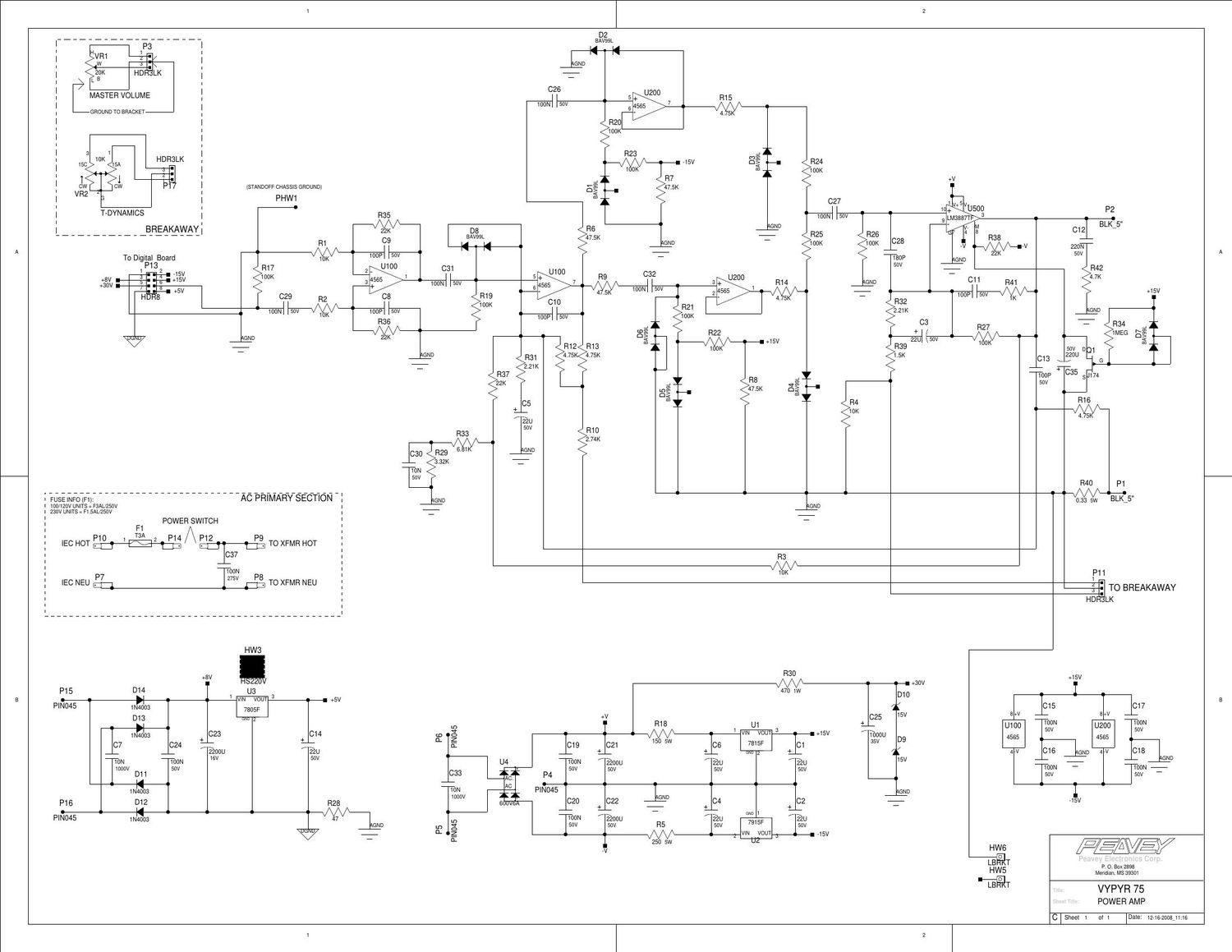
Peavey vypyr 75 schematics

This is the 5 pages manual for Peavey vypyr 75 schematics.
Read or download the pdf for free. If you want to contribute, please upload pdfs to audioservicemanuals.wetransfer.com.

Page: 1 / 5
Peavey vypyr 75 schematics