Peavey manuals

Browse manuals in directory p/peavey/peavey-csr/

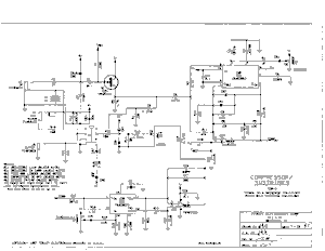
Peavey CSR 2 Compressor Pedal Schematic peavey csr 2 compressor pedal schematic