Peavey manuals

Browse manuals in directory p/peavey/peavey-260d/

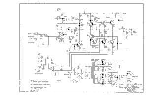
Peavey 260D Power Module Schematic peavey 260d power module schematic