Peavey manuals

Browse manuals in directory p/peavey/peavey-150m/

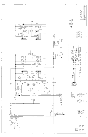
Peavey 150M Power Module Schematic peavey 150m power module schematic