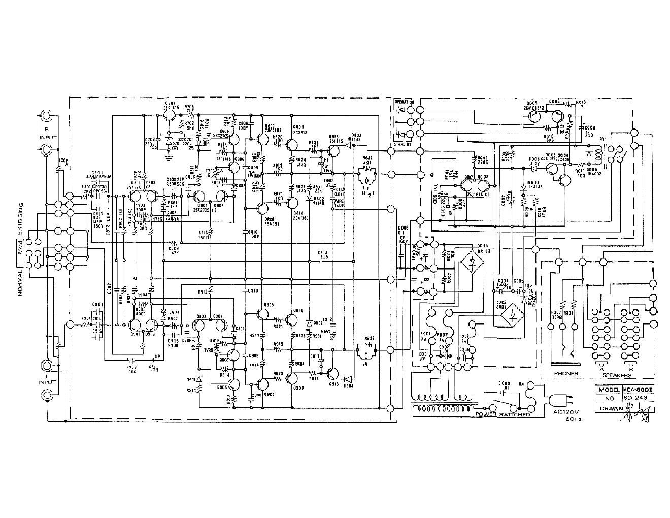
Parasound hca 800 ii schematic

This is the 1 pages manual for parasound hca 800 ii schematic.
Read or download the pdf for free. If you want to contribute, please upload pdfs to audioservicemanuals.wetransfer.com.

Page: 1 / 1
parasound hca 800 ii schematic