National manuals
Browse manuals in directory n/national/national-broadcasting/
| 
                                    
                                                                                     | 
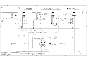
                                national broadcasting station 123 type 123 | 
|---|