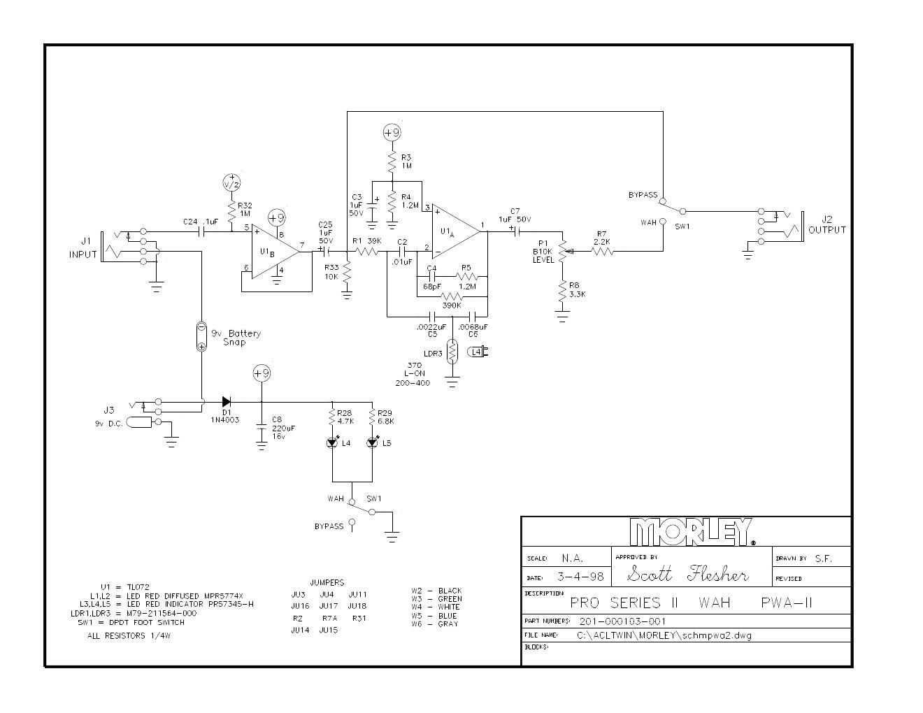
Morley PVA II Pro Series II Wah Schematic

This is the 1 pages manual for Morley PVA II Pro Series II Wah Schematic.
Read or download the pdf for free. If you want to contribute, please upload pdfs to audioservicemanuals.wetransfer.com.

Page: 1 / 1
Morley PVA II Pro Series II Wah Schematic