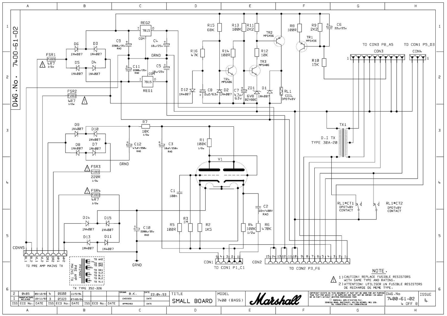
Marshall DBS 7400 400W Head 7400 61 02 Schematic
This is the 1 pages manual for Marshall DBS 7400 400W Head 7400 61 02 Schematic.
Read or download the pdf for free. If you want to contribute, please upload pdfs to audioservicemanuals.wetransfer.com.
Page: 1 / 1
