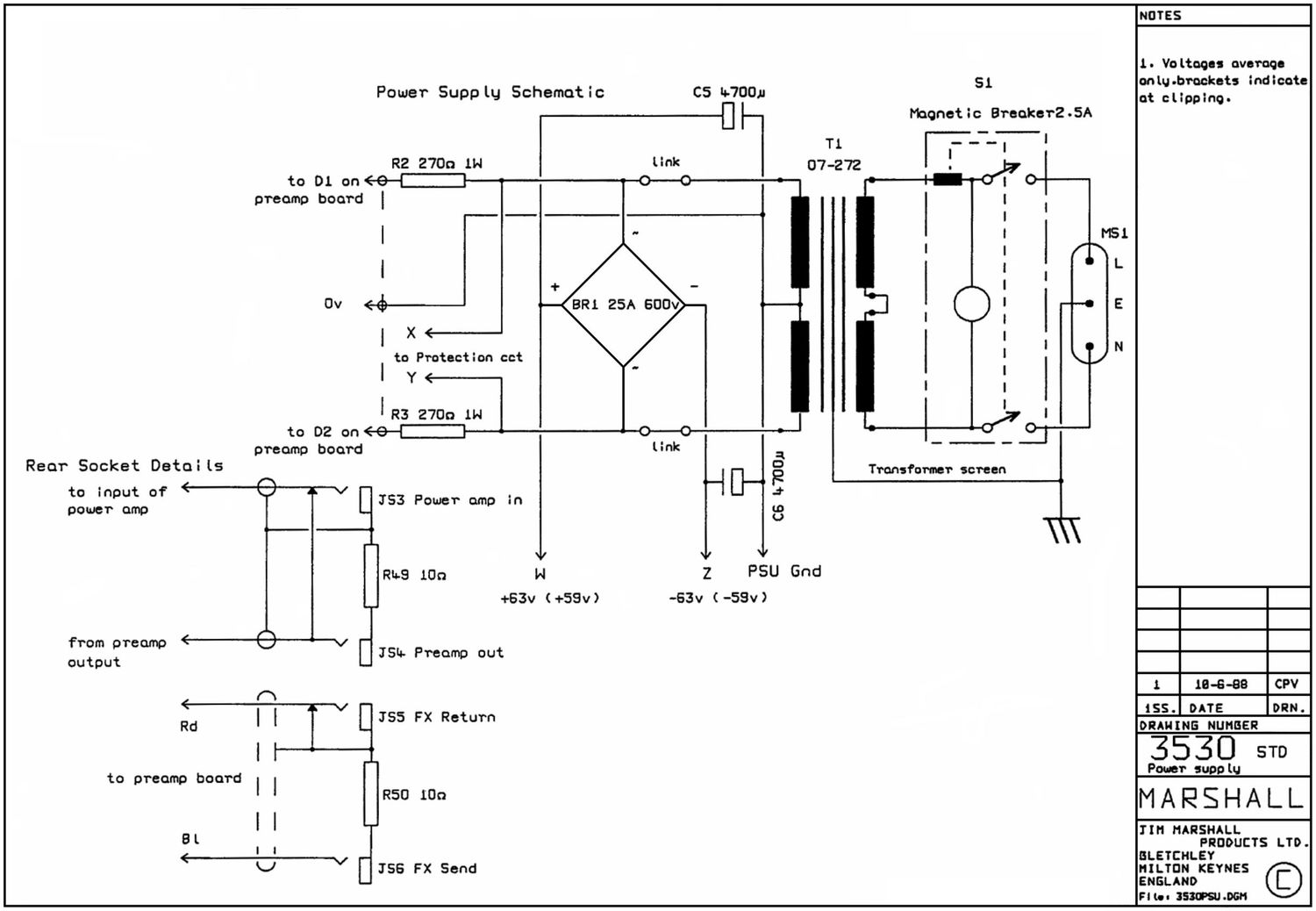
Marshall 3530 Psu Schematic

This is the 1 pages manual for Marshall 3530 Psu Schematic.
Read or download the pdf for free. If you want to contribute, please upload pdfs to audioservicemanuals.wetransfer.com.

Page: 1 / 1
Marshall 3530 Psu Schematic