Marshall manuals

Browse manuals in directory m/marshall/marshall-3315/

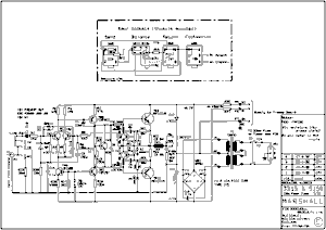
Marshall 3315 5150 Power Amp Schematic marshall 3315 5150 power amp schematic
Marshall 3315 Power Amp Schematic marshall 3315 power amp schematic
Marshall 3315 Power Schematic marshall 3315 power schematic
Marshall 3315 Preamp Schematic marshall 3315 preamp schematic