Marshall manuals

Browse manuals in directory m/marshall/marshall-2550/

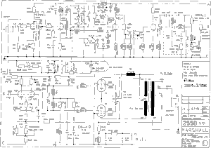
Marshall 2550 Amp Schematic marshall 2550 amp schematic
Marshall 2550 Psu Schematic marshall 2550 psu schematic
Marshall 2550 Schematic marshall 2550 schematic