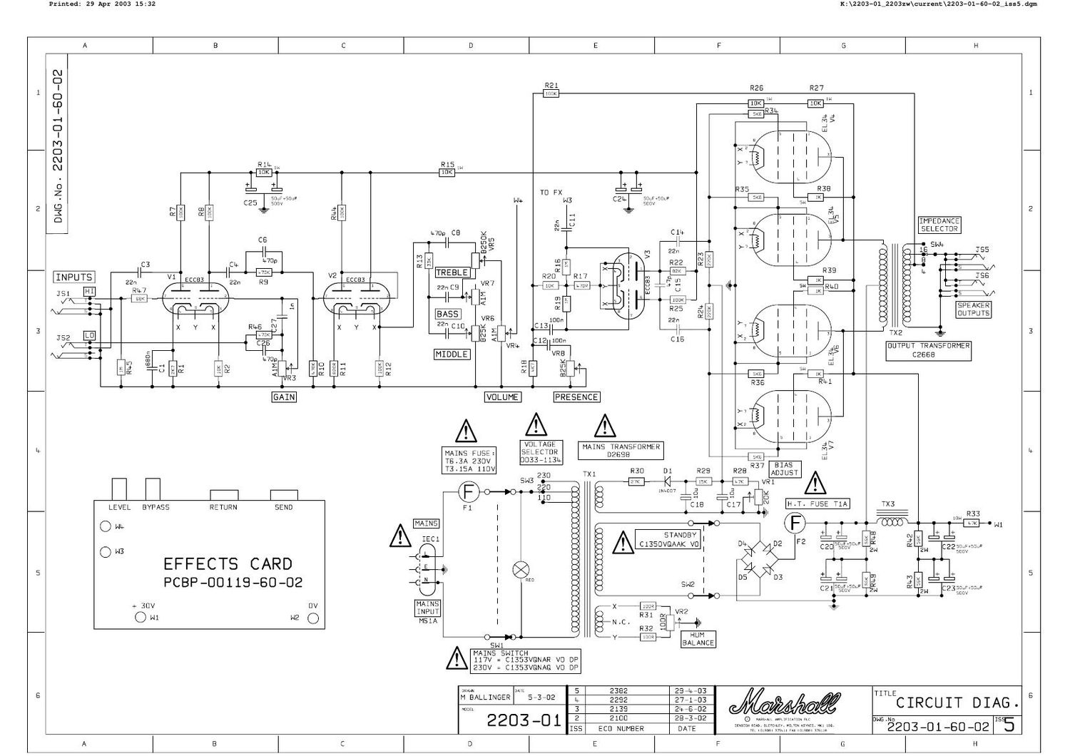
Marshall 2203 Reissue Schematic

This is the 2 pages manual for Marshall 2203 Reissue Schematic.
Read or download the pdf for free. If you want to contribute, please upload pdfs to audioservicemanuals.wetransfer.com.

Page: 1 / 2
Marshall 2203 Reissue Schematic