Marshall manuals

Browse manuals in directory m/marshall/marshall-1978/

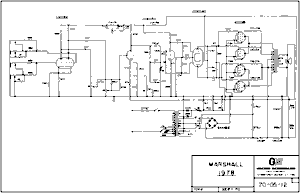
Marshall 1978 200 Watt Schematic marshall 1978 200 watt schematic