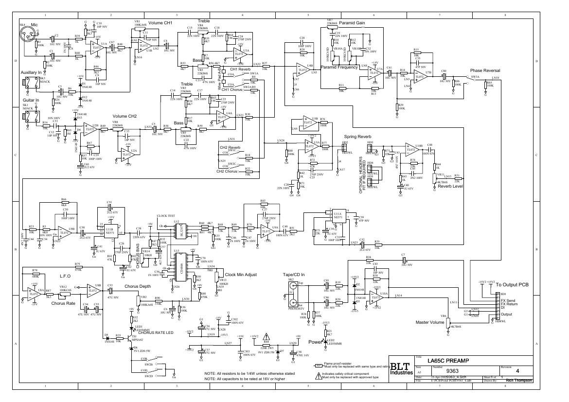
Laney LA65C Schematic

This is the 2 pages manual for laney LA65C Schematic.
Read or download the pdf for free. If you want to contribute, please upload pdfs to audioservicemanuals.wetransfer.com.

Page: 1 / 2
laney LA65C Schematic