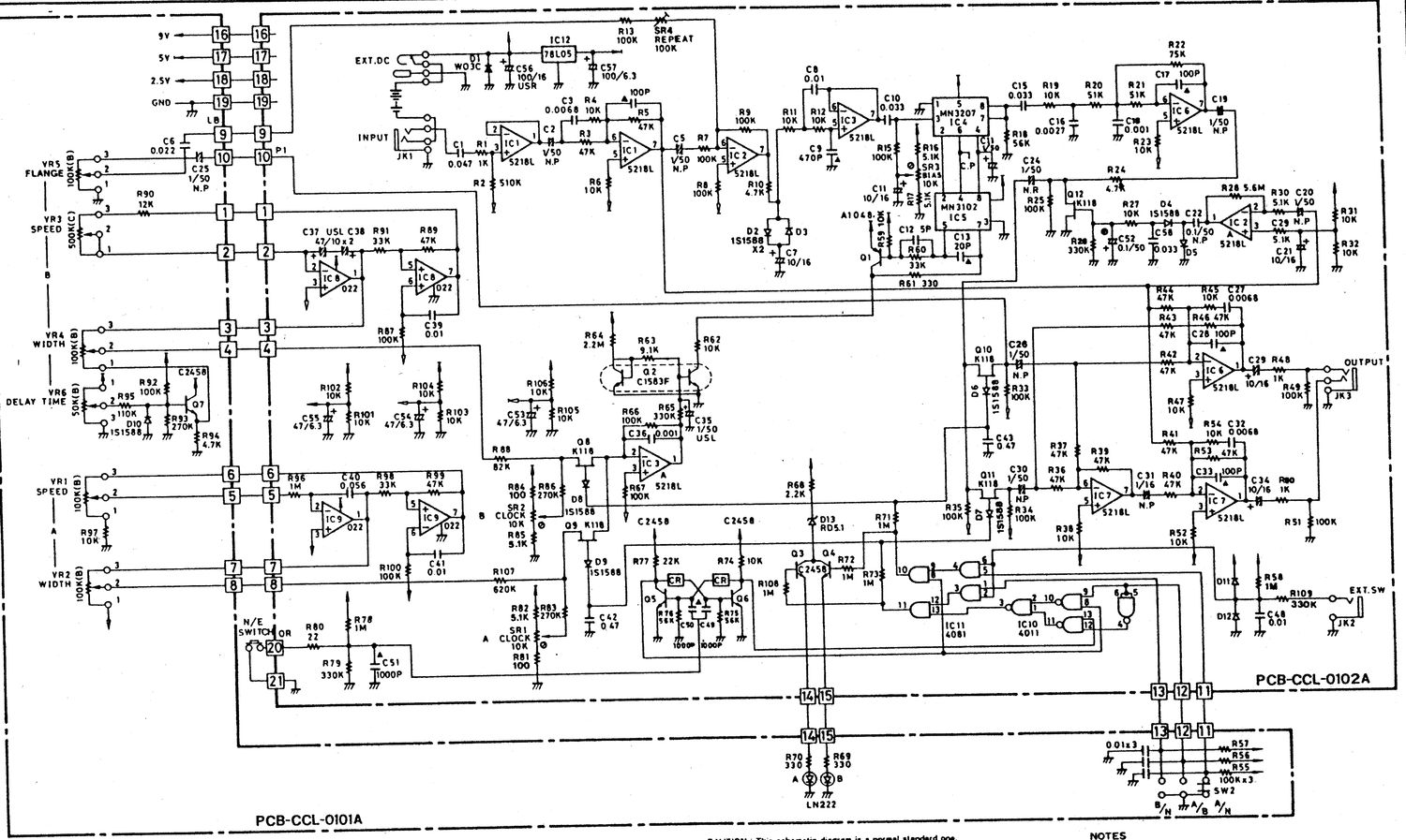
Ibanez PC 10 Prime Dual Chorus Schematic

This is the 1 pages manual for Ibanez PC 10 Prime Dual Chorus Schematic.
Read or download the pdf for free. If you want to contribute, please upload pdfs to audioservicemanuals.wetransfer.com.

Page: 1 / 1
Ibanez PC 10 Prime Dual Chorus Schematic