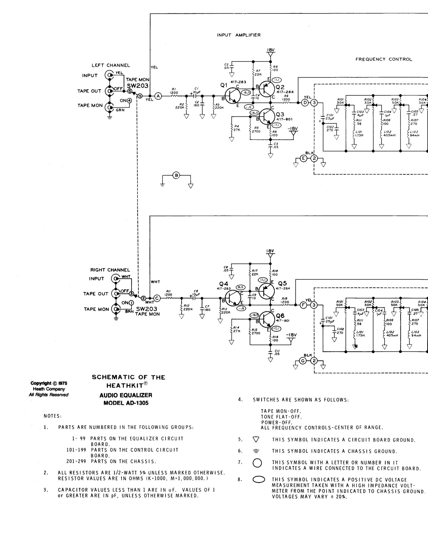
Heathkit AD 1305 Schematic

This is the 3 pages manual for Heathkit AD 1305 Schematic.
Read or download the pdf for free. If you want to contribute, please upload pdfs to audioservicemanuals.wetransfer.com.

Page: 1 / 3
Heathkit AD 1305 Schematic