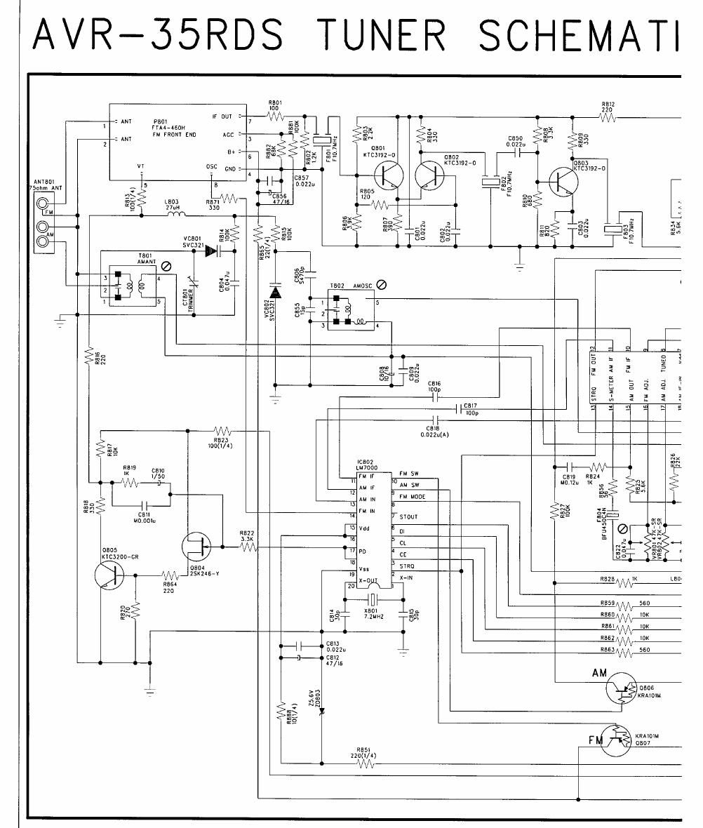
Harman kardon avr 35 rds schematic
This is the 13 pages manual for harman kardon avr 35 rds schematic. 
Read or download the pdf for free. If you want to contribute, please upload pdfs to audioservicemanuals.wetransfer.com.
                
                            Page: 1 / 13
                        
                        
                            
                        
                                                
                                
                            
                                        