Hammond manuals

Browse manuals in directory h/hammond/hammond-early/

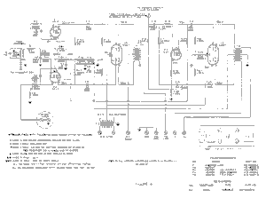
hammond early a b c d g preamp schematic hammond early a b c d g preamp schematic
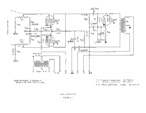
hammond early a b c d preamp schematic hammond early a b c d preamp schematic
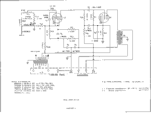
hammond early e preamp schematic hammond early e preamp schematic
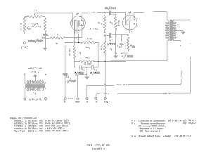
hammond early vibrato preamp schematic hammond early vibrato preamp schematic