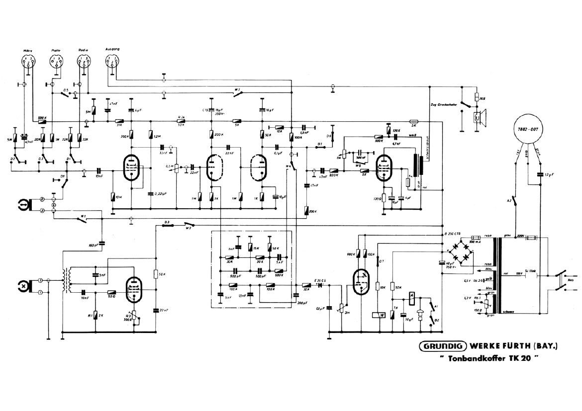
Grundig TK 20 Schematic

This is the 1 pages manual for Grundig TK 20 Schematic.
Read or download the pdf for free. If you want to contribute, please upload pdfs to audioservicemanuals.wetransfer.com.

Page: 1 / 1
Grundig TK 20 Schematic