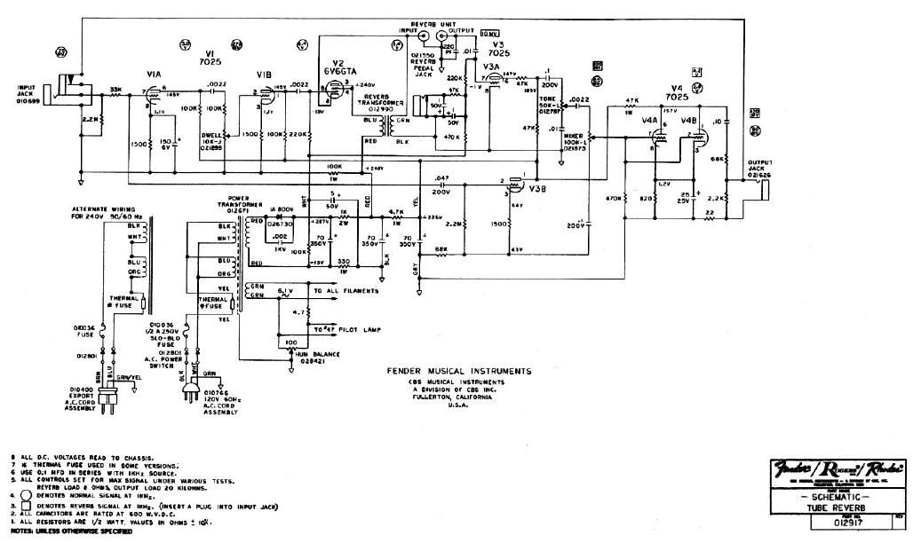
Fender reverb sf schematic

This is the 1 pages manual for fender reverb sf schematic.
Read or download the pdf for free. If you want to contribute, please upload pdfs to audioservicemanuals.wetransfer.com.

Page: 1 / 1
fender reverb sf schematic