Dod manuals
Browse manuals in directory d/dod/dod-565/
![]() |
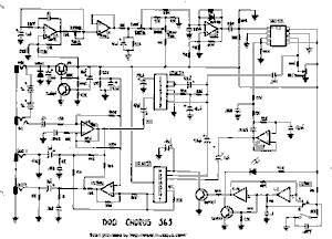
dod 565 chorus schematic |
---|
![]() |
dod 565 chorus schematic |
---|