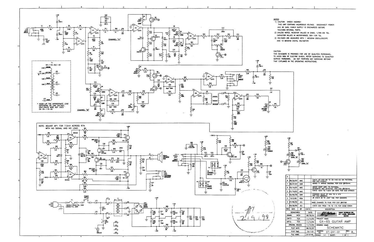
Crate GX 65 Schematics

This is the 3 pages manual for Crate GX 65 Schematics.
Read or download the pdf for free. If you want to contribute, please upload pdfs to audioservicemanuals.wetransfer.com.

Page: 1 / 3
Crate GX 65 Schematics