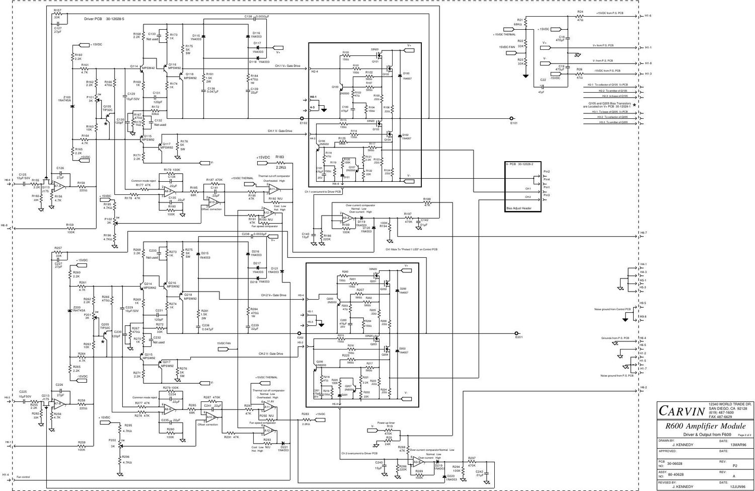
Carvin r 600 mosfet power amp module 80 40628 schematic

This is the 1 pages manual for carvin r 600 mosfet power amp module 80 40628 schematic.
Read or download the pdf for free. If you want to contribute, please upload pdfs to audioservicemanuals.wetransfer.com.

Page: 1 / 1
carvin r 600 mosfet power amp module 80 40628 schematic