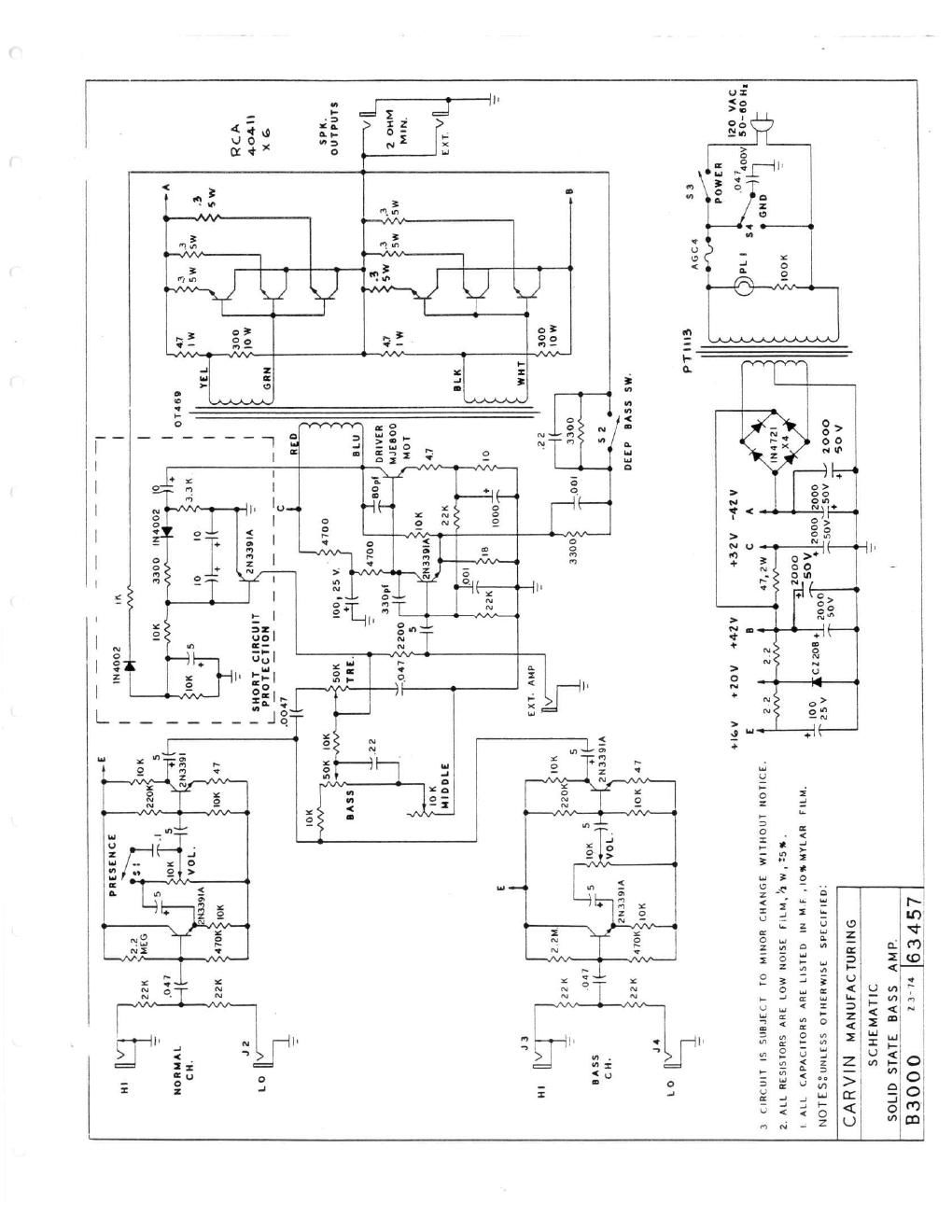
Carvin b 3000 b ass amp schematics

This is the 2 pages manual for carvin b 3000 b ass amp schematics.
Read or download the pdf for free. If you want to contribute, please upload pdfs to audioservicemanuals.wetransfer.com.

Page: 1 / 2
carvin b 3000 b ass amp schematics