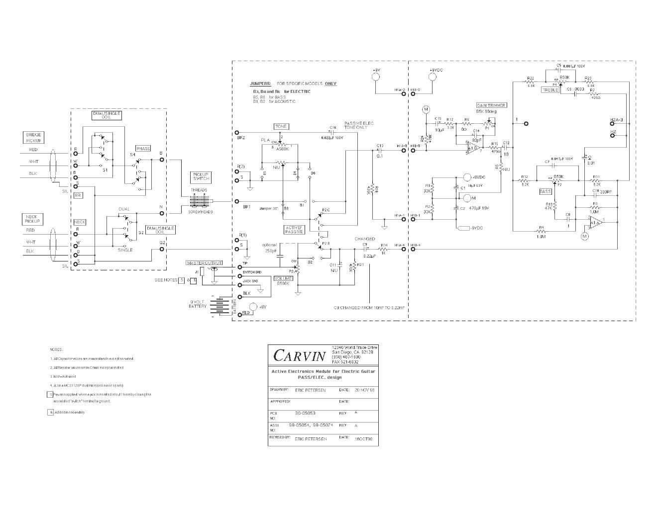
Carvin 502 g active guitar module schematic

This is the 1 pages manual for carvin 502 g active guitar module schematic.
Read or download the pdf for free. If you want to contribute, please upload pdfs to audioservicemanuals.wetransfer.com.

Page: 1 / 1
carvin 502 g active guitar module schematic