Ampex manuals
Browse manuals in directory a/ampex/ampex-2010/
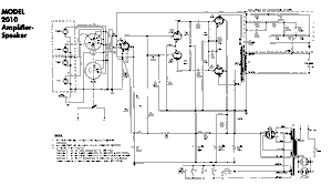
![]() |
ampex 2010 schematic |
---|
![]() |
ampex 2010 schematic |
---|