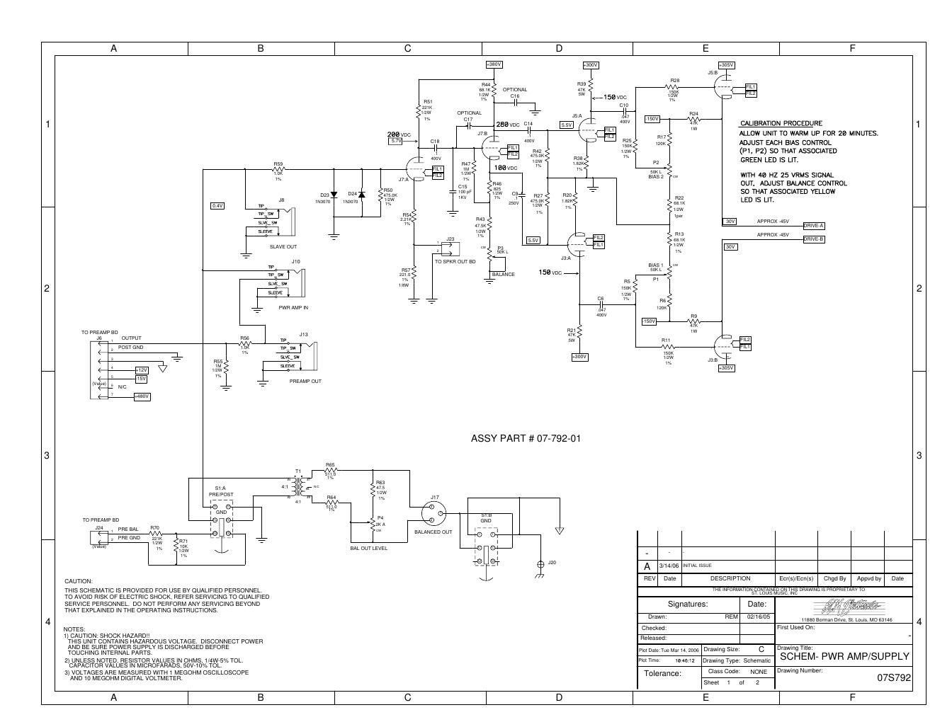
Ampeg svt vr power supply pi 07s792 schematics

This is the 2 pages manual for ampeg svt vr power supply pi 07s792 schematics.
Read or download the pdf for free. If you want to contribute, please upload pdfs to audioservicemanuals.wetransfer.com.

Page: 1 / 2
ampeg svt vr power supply pi 07s792 schematics