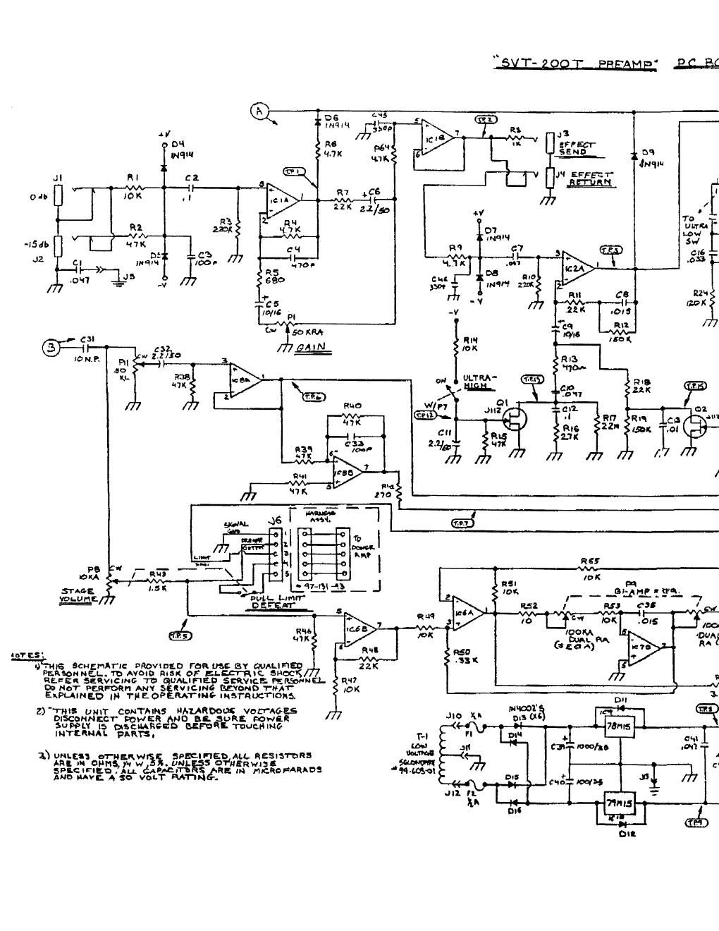
Ampeg svt 200t schematics
This is the 4 pages manual for ampeg svt 200t schematics.
Read or download the pdf for free. If you want to contribute, please upload pdfs to audioservicemanuals.wetransfer.com.
Page: 1 / 4
