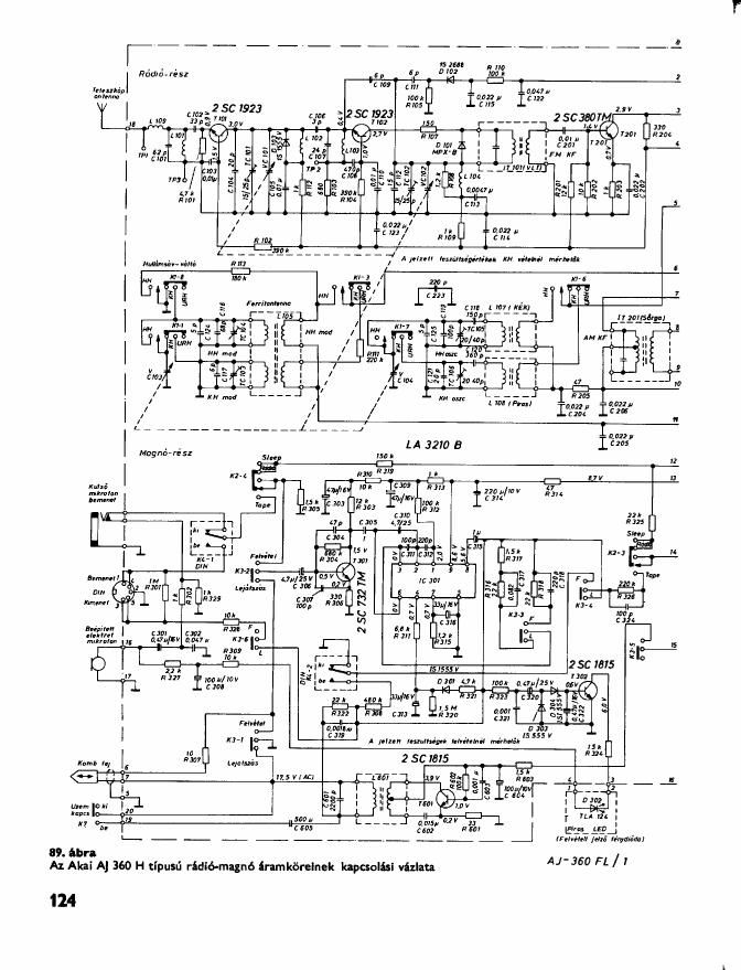
Akai AJ 360 Schematic

This is the 2 pages manual for Akai AJ 360 Schematic.
Read or download the pdf for free. If you want to contribute, please upload pdfs to audioservicemanuals.wetransfer.com.

Page: 1 / 2
Akai AJ 360 Schematic