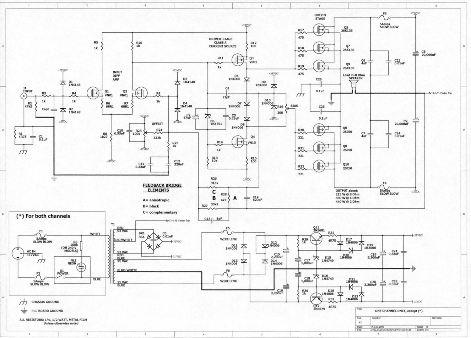
Acoustat Trans Nova Twin 200 Schematic

This is the 5 pages manual for Acoustat Trans Nova Twin 200 Schematic.
Read or download the pdf for free. If you want to contribute, please upload pdfs to audioservicemanuals.wetransfer.com.

Page: 1 / 5
Acoustat Trans Nova Twin 200 Schematic